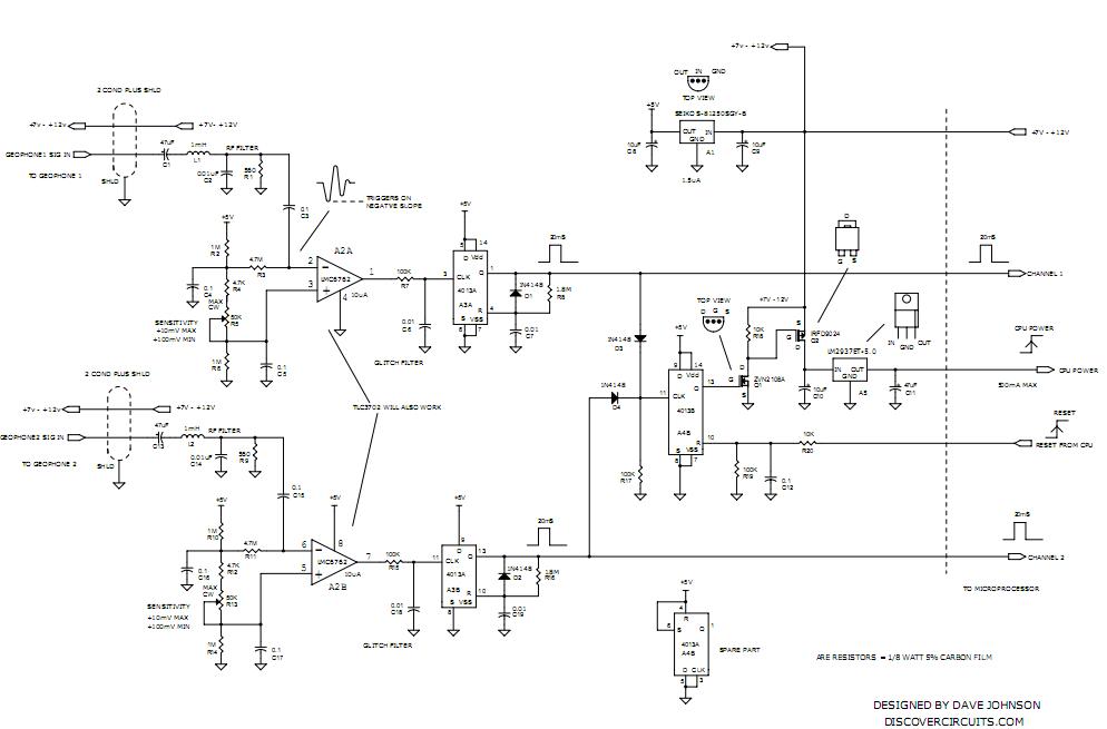
Published:2013/5/14 22:03:00 Author:muriel | Keyword: GEOPHONE FOOTSTEP DETECTOR, ALARM CIRCUIT | From:SeekIC

Reprinted Url Of This Article:
http://www.seekic.com/circuit_diagram/Control_Circuit/GEOPHONE_FOOTSTEP_DETECTOR_ALARM_CIRCUIT.html
Print this Page | Comments | Reading(3)
Code: