Published:2009/7/14 1:08:00 Author:May | From:SeekIC

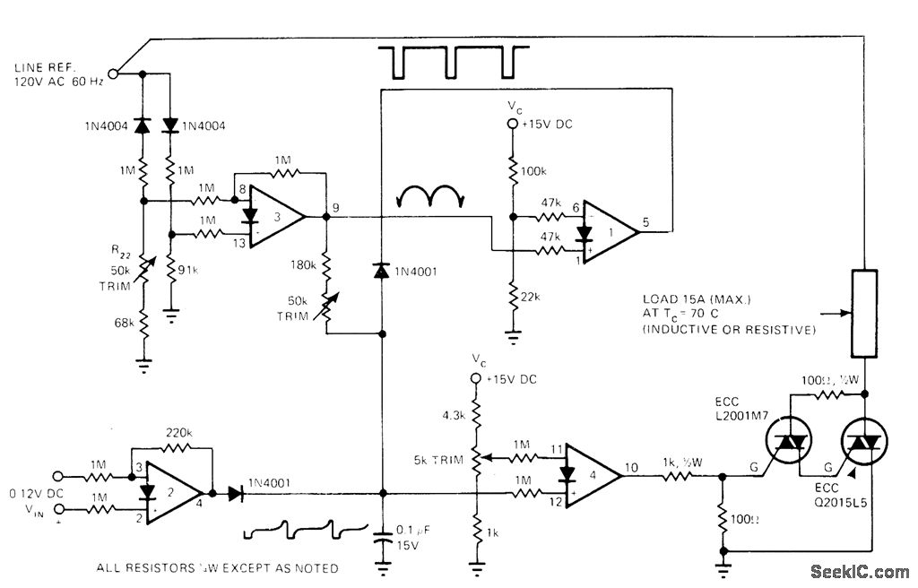
Need for transformer is eliminated by applying alternate half-cycles to inverting and noninverting inputs of section 3 of LM3900 quad opamp, so full-wave-rectified waveform is referenced to ground. Comparator opamp 1 discharges timing capacitor at zero line voltage and synchronizes circuit with line frequency. Buffer opamp 2 scales input and provides linear pedestal for capacitor. Opamp 4 is comparator serving as output driver whose output is high when capacitor is charged to level selected by high-end trimming pot. Output is sufficient for optoisolators and logic triacs.-J.C. Johnson, Ramp-And-Pedestal Phase Control Uses Quad Op Amp, EDN Magazine, June 5, 1977, p 208 and 211.
Reprinted Url Of This Article:
http://www.seekic.com/circuit_diagram/Control_Circuit/GROUND_REFERENCED_RAMP_AND_PEDESTAL_CONTROL.html
Print this Page | Comments | Reading(3)
Code: