Published:2011/8/24 1:56:00 Author:Ecco | Keyword: Gain control | From:SeekIC

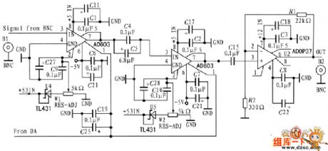
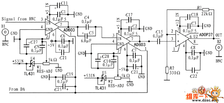
Gain control circuit consists of variable gain operational amplifier AD603 and precision op amp ADOP37. The AD603 is the core, and it is supplemented by external circuit programmable amplifier, and the gain control voltage is linear. SCM controls the D / A output amplifier gain. The circuit diagram is shown as the chart.
Reprinted Url Of This Article:
http://www.seekic.com/circuit_diagram/Control_Circuit/Gain_control_circuit_diagram.html
Print this Page | Comments | Reading(3)
Code: