Published:2011/6/27 4:05:00 Author:TaoXi | Keyword: Guangzhou, Honda, Odyssey, anti-theft system circuit | From:SeekIC

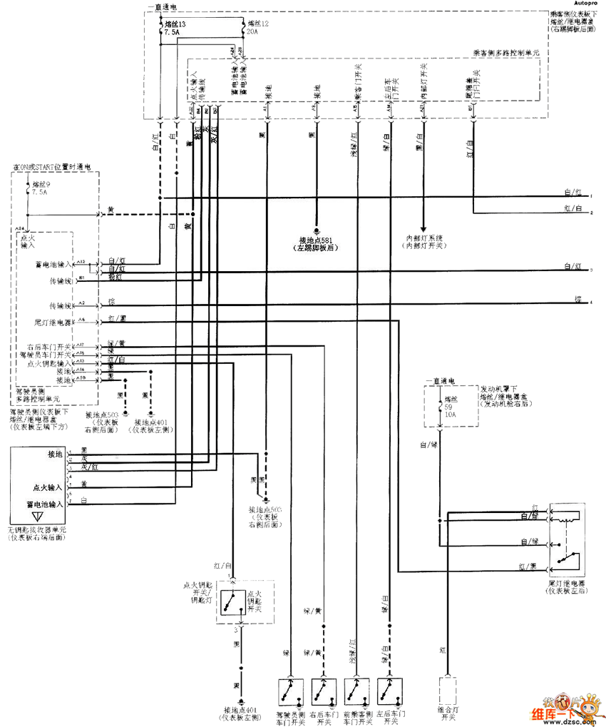
Guangzhou Honda Odyssey anti-theft system circuit:
Reprinted Url Of This Article:
http://www.seekic.com/circuit_diagram/Control_Circuit/Guangzhou_Honda_Odyssey_anti_theft_system_circuit.html
Print this Page | Comments | Reading(3)
Code: