Published:2009/7/15 4:33:00 Author:Jessie | From:SeekIC

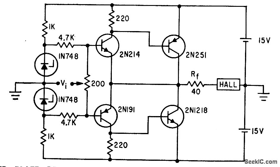
Currenl remains in phase with signal from 0 cps to over 20 kc. Distortion is less than 1% over entire range.-R. A. Greiner, Feedbock Amplification Improves Hall-Effect Multipliers, Electronics, 34:34, p 52-55.
Reprinted Url Of This Article:
http://www.seekic.com/circuit_diagram/Control_Circuit/HALL_MULTIPLIER_PLATE_DRIVE.html
Print this Page | Comments | Reading(3)
Code: