Published:2009/7/21 22:01:00 Author:Jessie | From:SeekIC

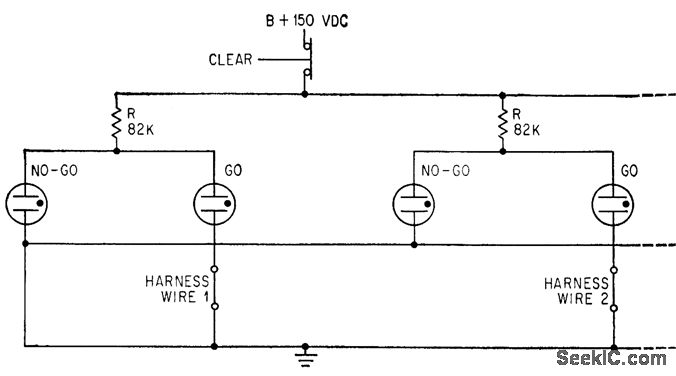
One end of each harness wire under lest is grounded. Other end completes circuit for GO glow lamp. Discontinuity in wire opens GO cathode, decreases voltage drop through R, and makes NO-GO lamp glow.-Harness Tester Detects and Indicates Intermittent Faults, Electronics, 37:4, p 56-57.
Reprinted Url Of This Article:
http://www.seekic.com/circuit_diagram/Control_Circuit/HARNESS_TESTER_USES_NEON_FLIP_FLOPS.html
Print this Page | Comments | Reading(3)
Code: