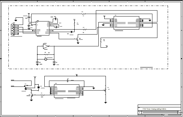
Published:2013/1/30 21:01:00 Author:muriel | Keyword: HC08 , Fan Timer | From:SeekIC

Reprinted Url Of This Article:
http://www.seekic.com/circuit_diagram/Control_Circuit/HC08_Fan_Timer.html
Print this Page | Comments | Reading(3)
Code: