About SeekIC | Services | Payment | Advertisements service | Contact Us | Links
© 2008-2012 SeekIC.com Corp.All Rights Reserved.
Published:2009/7/7 4:14:00 Author:May | From:SeekIC

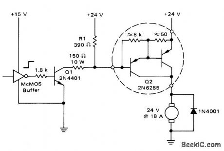
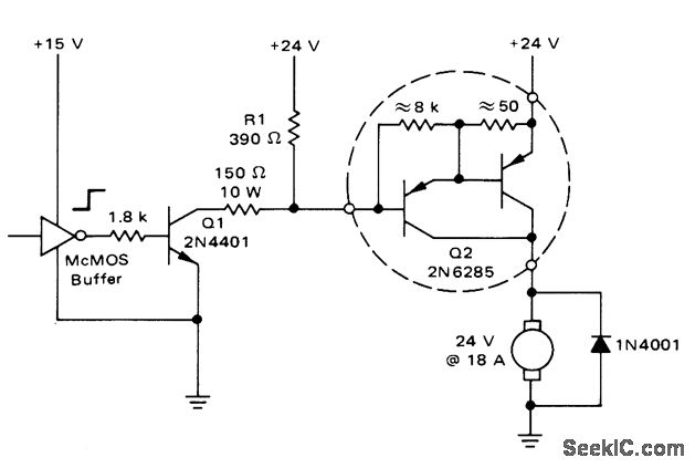
When output of CMOS buffer goes high, Q1 turns on and sinks 150-mA base current of power Darlington Q2, to activate motor load. Used in logic-controlled industrial applications.-A. Pshaenich, Interface Techniques Between Industrial Logic and Power Devices, Motorola, Phoenix, AZ, 1975, AN-712A, p 18.
Reprinted Url Of This Article:
http://www.seekic.com/circuit_diagram/Control_Circuit/HIGH_LEVEL_CMOS_CONTROL.html
Print this Page | Comments | Reading(3)
Response in 12 hours
© 2008-2012 SeekIC.com Corp.All Rights Reserved.
Code: