Published:2009/6/30 2:48:00 Author:May | From:SeekIC

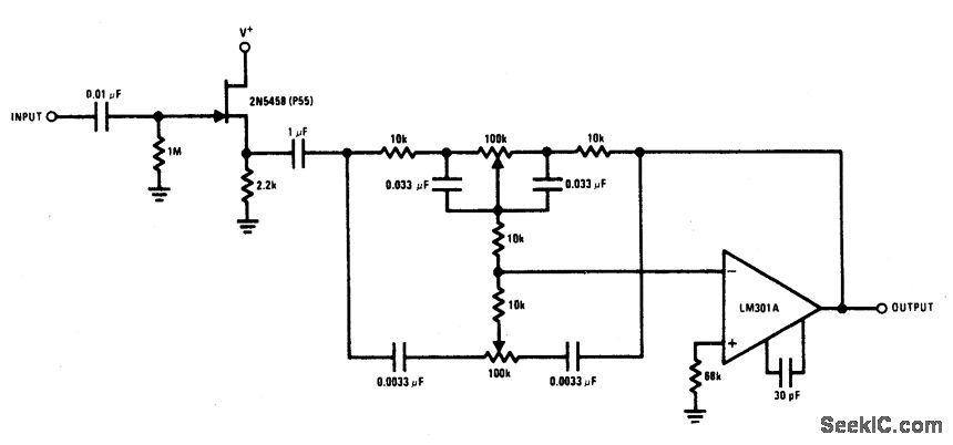
The 2N5458 JFET provides the function of a high input impedance and low noise characteristics to buffer an op amp feedback tone control circuit.
Reprinted Url Of This Article:
http://www.seekic.com/circuit_diagram/Control_Circuit/HI_FI_TONE_CONTROL_CIRCUIT_HIGH_Z_INPUT.html
Print this Page | Comments | Reading(3)
Code: