Published:2011/7/27 21:32:00 Author:TaoXi | Keyword: Lighting, light control | From:SeekIC



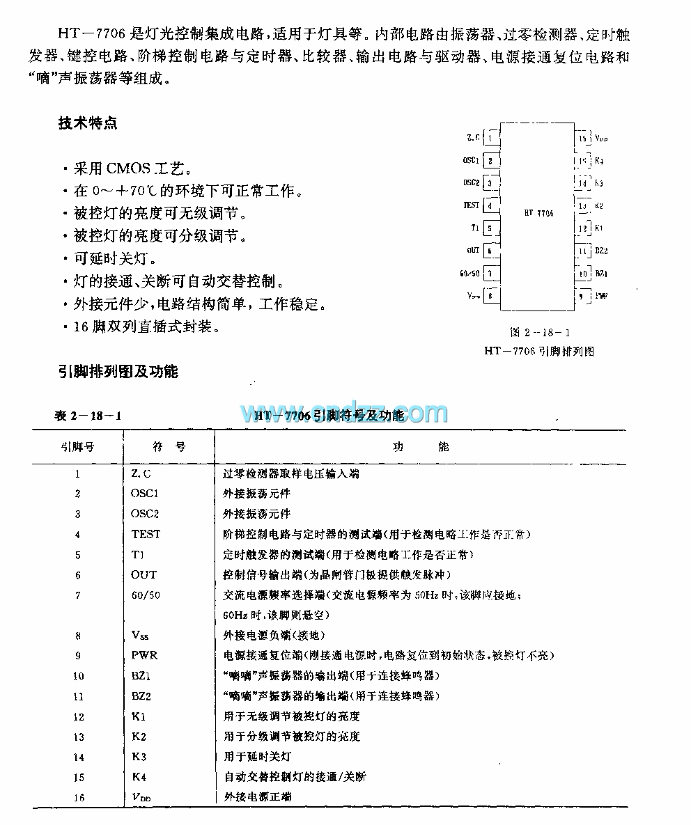
The HT-7706 is designed as the light control circuit that can be used in the lighting application. The internal circuit is composed of the oscillator, the zero crossing detector, the timing trigger, the button control circuit, the stage control circuit, the timer, the comparator, the output circuit, the driver, the power connection reset circuit and the di sound oscillator.
Features
The CMOS technology.It can operate normally in the environment of 0 to +70℃.The brightness of the controlled light is stepless adjusting mode.The brightness of the controlled light has two stages.The delay turn-off function.The automatic alternate turn-on and turn-off.
Reprinted Url Of This Article:
http://www.seekic.com/circuit_diagram/Control_Circuit/HT_7706_Lighting_light_control_circuit.html
Print this Page | Comments | Reading(3)
Code: