Published:2009/7/24 4:19:00 Author:Jessie | From:SeekIC

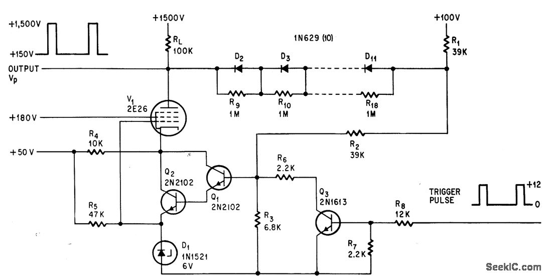
Trigger pulse at 12 V saturates Q3, voltage across R3 drops below level of tenor D1, and Q1 and Q2 turn off, making V1 stop conducting. Anode voltage of V1 then rises to 1,500-V supply value until input pulse is removed.-R. E. Thomas, 1,500-Volt Hybrid Switch has Low On Impedance, Electronics, 37:22, p 74-75.
Reprinted Url Of This Article:
http://www.seekic.com/circuit_diagram/Control_Circuit/HYBRID_SWITCH_PROVIDES_1500_V_PULSE.html
Print this Page | Comments | Reading(3)
Code: