Published:2009/7/22 1:38:00 Author:Jessie | From:SeekIC

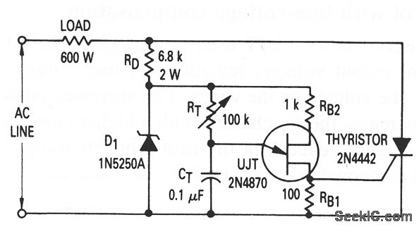
This circuit shows a UJT that is a half-wave trigger for a thyristor (an SCR),which controls a 600-W load.
Reprinted Url Of This Article:
http://www.seekic.com/circuit_diagram/Control_Circuit/Half_wave_thyristor_control.html
Print this Page | Comments | Reading(3)
Code: