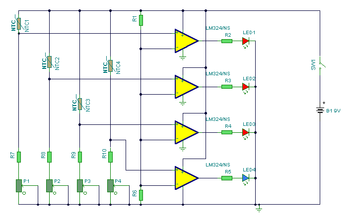
Published:2012/12/3 0:27:00 Author:muriel | Keyword: Hot Water, Level Indicator | From:SeekIC

Reprinted Url Of This Article:
http://www.seekic.com/circuit_diagram/Control_Circuit/Hot_Water_Level_Indicator.html
Print this Page | Comments | Reading(3)
Code: