Published:2011/4/6 21:56:00 Author:Rebekka | Keyword: Human body induction, Alarm circuit | From:SeekIC

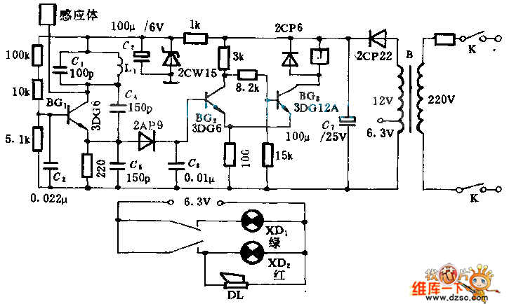
The alarm circuit is a alarm device that makes use of the distributed capacitance of the human body and to work. The multivibrator type oscillator composed of BG1, L1, C1 works but the relay does not before a human body access the alarm; When a human body access the alarm, the periodic circuit will stop work and the alarm will work because of the capacitance of human body.
Reprinted Url Of This Article:
http://www.seekic.com/circuit_diagram/Control_Circuit/Human_body_induction_alarm_circuit_diagram.html
Print this Page | Comments | Reading(3)
Code: