Published:2009/7/17 4:17:00 Author:Jessie | From:SeekIC

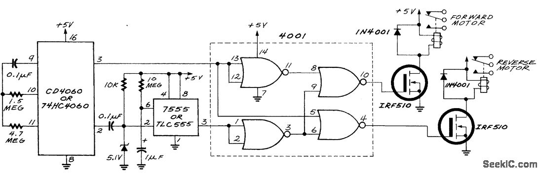
The circuit has a 4060 CMOS long-period timer, which consists of an oscillator plus a series of binary counters that divide the frequency by 2, 4, 8, etc. up to 16,384. The oscillator runs at a comfortable 2 Hz (2 cycles per second), controlled by a capacitor and two resistors, and the binary counter divides this to produce a square wave that has only one cycle every 2 hours, as well as another one that oscillates twice as fast. The faster of the two square waves determines when the motor runs, and the slower one determines its direction. Here's how it's done: First, the faster square wave goes through a capacitor, resistor, and diode, which convert it into a narrow negative-going pulse that occurs once per hour. The 555, connected as a monostable, stretches the short pulse so that it is 10 s long (the length of time the motor should run). Logic gates then steer that pulse to one of two relays so that the motor runs either forward or backward, depending on which state the slow square wave is in at the time. Because the forward and reverse pulses are generated by the same 555 circuit, they are the same length-this is important so that the reverse cycle will exactly undo the motion of the forward cycle.
Reprinted Url Of This Article:
http://www.seekic.com/circuit_diagram/Control_Circuit/INCUBATOR_MOTOR_CONTROLLER.html
Print this Page | Comments | Reading(3)
Code: