Published:2009/7/23 22:38:00 Author:Jessie | From:SeekIC

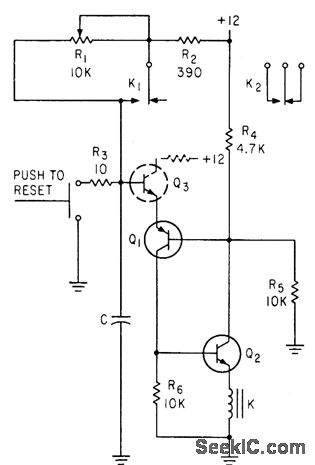
Interval is determined by C, which can be paralleled capacitors to in. crease range.-N. C. Hekimian, PNP-NPN CIRCUITS; New Look at a Familiar Connection, Electronics, 35:47, p 42-46.
Reprinted Url Of This Article:
http://www.seekic.com/circuit_diagram/Control_Circuit/INTERVAL_TIMER.html
Print this Page | Comments | Reading(3)
Code: