Published:2009/7/16 6:06:00 Author:Jessie | From:SeekIC

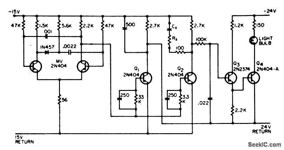
Permits checking capacitors dynamically for opens or shorts without disconnecting them. Indicator light is turned on for both faults. -E. L. Major, In-Circuit Capacitor Tesler, FEE, 13;3, p 47.
Reprinted Url Of This Article:
http://www.seekic.com/circuit_diagram/Control_Circuit/IN_CIRCUIT_CAPACITOR_TESTER.html
Print this Page | Comments | Reading(3)
Code: