Published:2009/7/14 11:06:00 Author:May | From:SeekIC

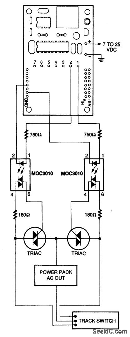
This circuit can be used to interface two triacs to the IR remote control in order to control model railroad track switches.
Reprinted Url Of This Article:
http://www.seekic.com/circuit_diagram/Control_Circuit/IR_REMOTE_CONTROL_MODEL_RAILROAD_APPLICATION.html
Print this Page | Comments | Reading(3)
Code: