Published:2011/7/5 7:10:00 Author:Sue | Keyword: Illumination, Controller | From:SeekIC

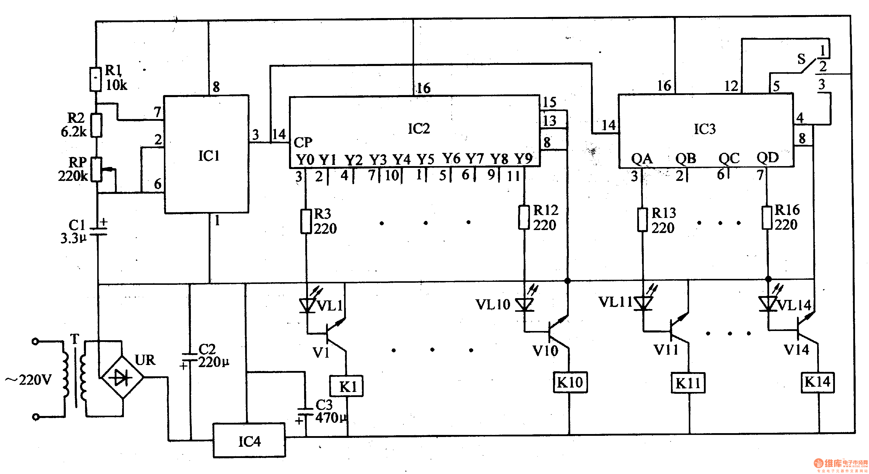
The 220v voltage will provide IC1-IC3 and K1-K14 with working voltage after reduction, rectification, filtration and stablization.
When IC2' and IC3's terminal outputs high level, its outside LED will be illuminated. The transistor will be connected and relay will be connected. Its normally open contractor will make the working power on. The illuminations will be illuminated. For example, when IC2's pin 3 outputs high level, VL1 is illuminated and V1 is connected. K1 is connected and the first circuit of illuminations are illuminated. When IC3's QA terminal outputs high level, VLII is illuminated and VII is connected. KII is connected and the II circuit of illuminations are illuminated.
Reprinted Url Of This Article:
http://www.seekic.com/circuit_diagram/Control_Circuit/Illumination_Controller_14.html
Print this Page | Comments | Reading(3)
Code: