Published:2011/7/5 7:18:00 Author:Sue | Keyword: Illumination, Controller | From:SeekIC

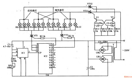
The 220v voltage will generate +9v voltage after reduction, rectification and filtration. One circuit will provide the multivibrator with working power, and the other circuit will provide IC1 and IC2 with working power.
After the pulse generator begins to work, IC2's Y0-Y9 will output high level in turn which will make VT1-VT10 connected.
After the multivibrator begins to work, VT11 and VT12 will be illuminated in turn which will make the red lights and green lights illuminated in turn.
Reprinted Url Of This Article:
http://www.seekic.com/circuit_diagram/Control_Circuit/Illumination_Controller_15.html
Print this Page | Comments | Reading(3)
Code: