Published:2011/7/6 6:43:00 Author:Sue | Keyword: Illumination, Controller | From:SeekIC

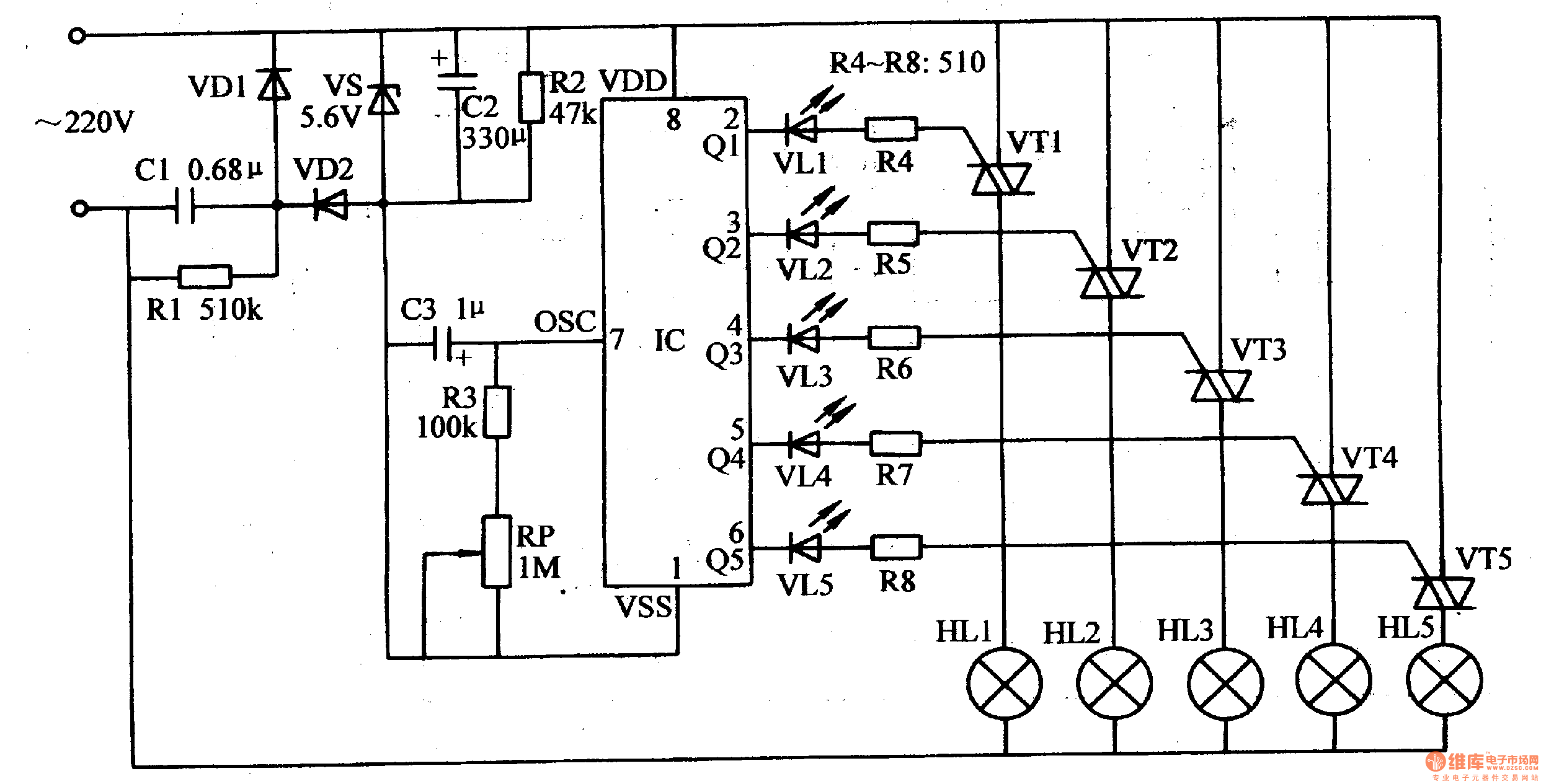
The 220v ac voltage will provide IC with 5.6v direct current working voltage after it is reduced by C1, rectificated by VD1 and VD2, stablized by VS, filtrated by C2.
After IC begins to work, its Q1-Q5 terminals will output control level in turn which will make VT1-VT5 connected in turn. Then the illuminations HL1-HLU are illuminated in turn which will realise running circular illumination effect.
IC's inner oscillator's oscillate frequency will be changed by adjusting RP's resistance value. Then the illumination effects can be changed.
Reprinted Url Of This Article:
http://www.seekic.com/circuit_diagram/Control_Circuit/Illumination_Controller_23.html
Print this Page | Comments | Reading(3)
Code: