Published:2011/7/6 7:16:00 Author:Sue | Keyword: Illumination, Controller | From:SeekIC


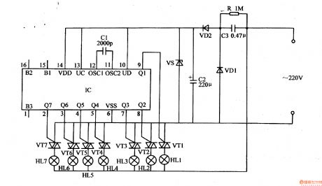
The 220v ac voltage will provide IC with 6v direct current working voltage after it is reduced by C3, rectificated by VD1,VD2, stablized by VS, filtrated by C2.
IC's Q1-Q7 terminals serve as drive signals output terminals. B1-B3 terminals serve as various choices control terminals. Uc and UD serve as consumption control terminals. OSC1 and OSC2 serve as oscillate terminal.
After IC begins to work, its Q1-Q7 terminals will output drive signals which will control the7 circuits of illuminations HL1-HL7 by VT1-VT7.
When IC's B1-B3 terminals are not connected, illuminations HL1-HL7's illumination effects are multipoint illumination, as seen in figure 1-3.When the illuminations are used, the illumination effects can be set according to actual requirement.
Reprinted Url Of This Article:
http://www.seekic.com/circuit_diagram/Control_Circuit/Illumination_Controller_25.html
Print this Page | Comments | Reading(3)
Code: