Published:2011/7/7 5:45:00 Author:Sue | Keyword: Illumination, Controller | From:SeekIC



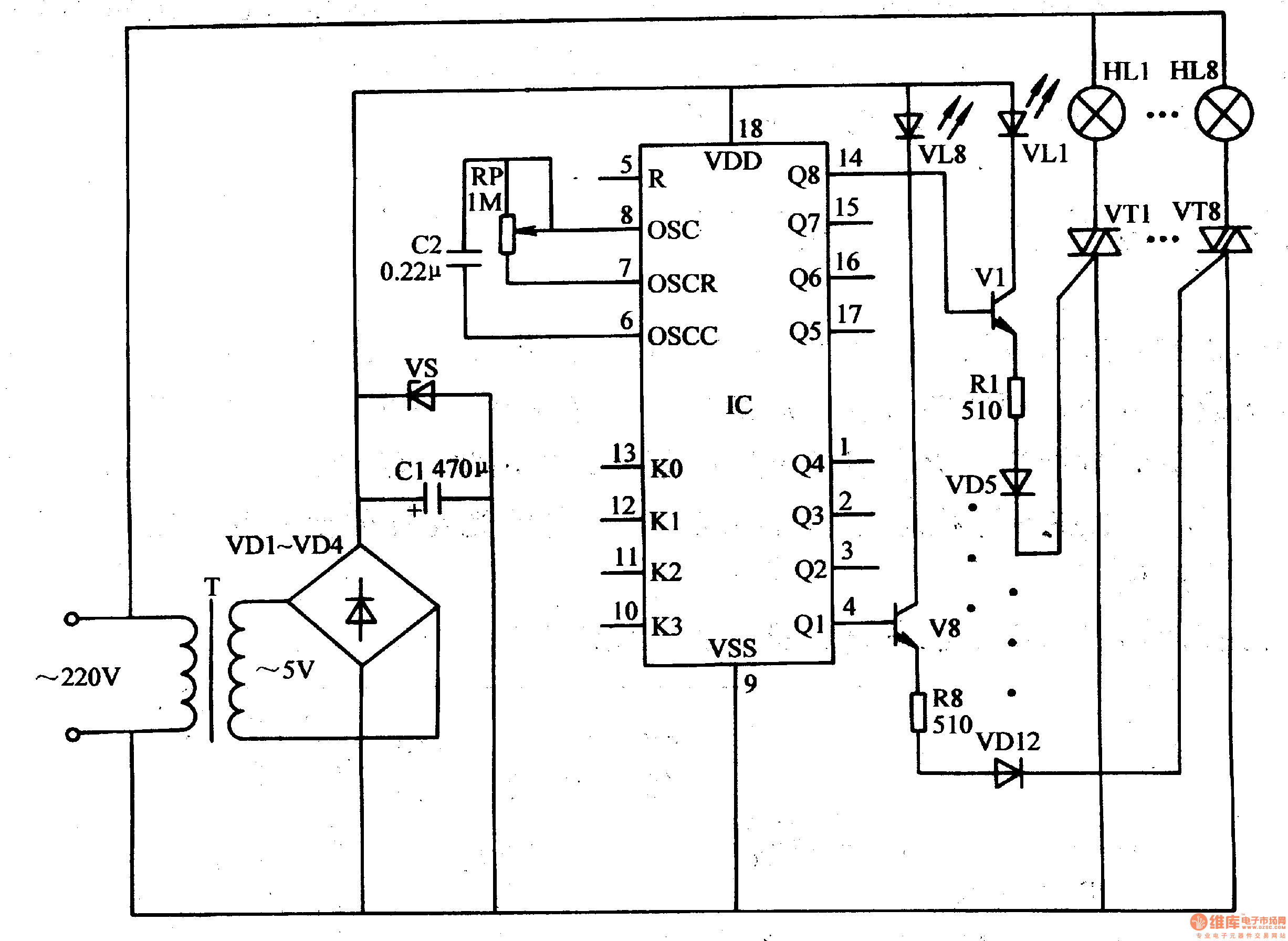
The 220v ac voltage will provide IC with 5v working voltage after it is reduced by T, rectificated by VD1-VD4, stablized by VS, filtrated by C1.
IC's K0-K3 terminals serve as illuminations varied programs set terminals. Q1-Q8 serve as control signals output terminals. When touse the circuit, K0-K3 terminals' connection modes can be changed according to actual requirement(see figure 1-5). The conducting states of V1-V8,VT1-VT8 can be controlled by changing Q1-Q8 terminals' output signals.Then illuminations can twinkle according to the given modes.
Reprinted Url Of This Article:
http://www.seekic.com/circuit_diagram/Control_Circuit/Illumination_Controller_27.html
Print this Page | Comments | Reading(3)
Code: