Published:2011/7/7 6:14:00 Author:Sue | Keyword: Illumination, Controller | From:SeekIC

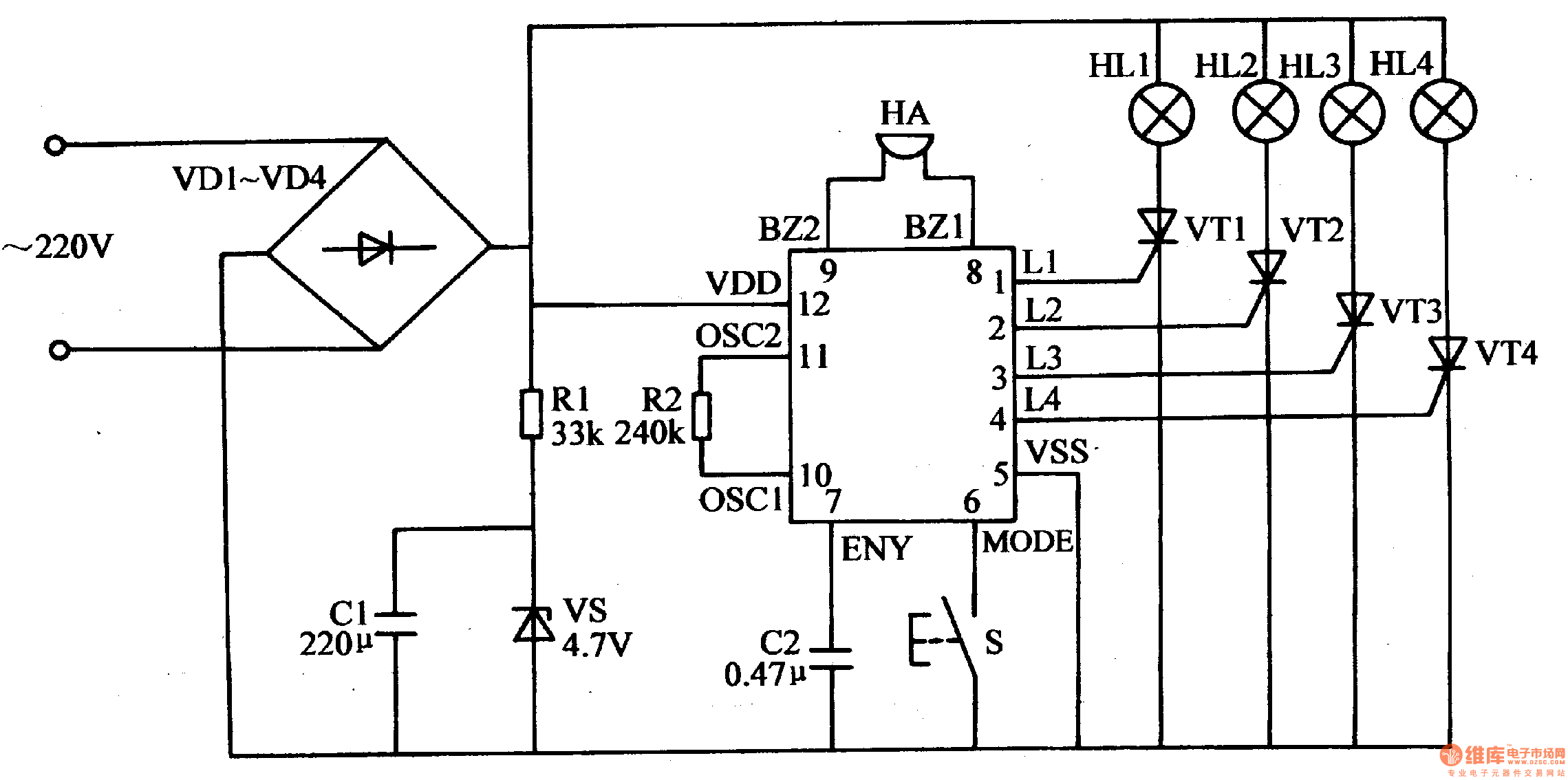
The 220v ac voltage will provide IC with 4.5v direct current working voltage after it is rectificated by VD1-VD4, limited and reduced by R1, stablized by VS, filtrated by C1.
After IC begins to work, its pin 1-4 will output trigger control signals. By controlling the working states of VT1-VW, illumination modes of the illuminations will be changed according to actual requirement. At the same time, IC's inside musical circuit will drive HA to make music directly.
S is the button which controls illumination modes choice and volume. When S is pushed, the illumination modes are changed and HA's volume is changed.
Reprinted Url Of This Article:
http://www.seekic.com/circuit_diagram/Control_Circuit/Illumination_Controller_31.html
Print this Page | Comments | Reading(3)
Code: