Published:2011/7/7 7:14:00 Author:Sue | Keyword: Illumination, Controller | From:SeekIC

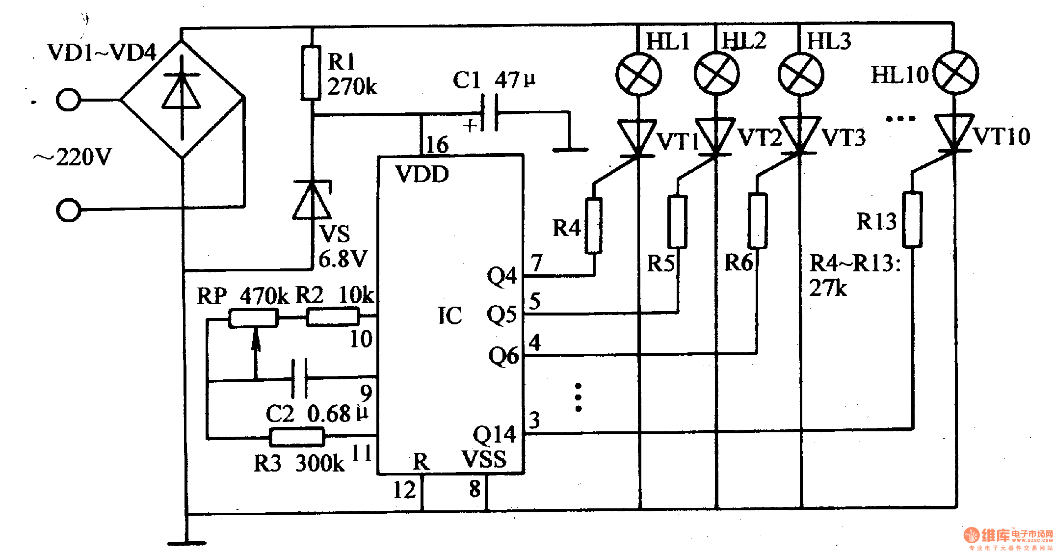
The 220v ac voltage will provide IC with 6.8v direct current working voltage after it is rectificated by VD1,VD4, limited and reduced by R1, stablized by VS, filtrated by C1.
RP,R2,R3,C2 and IC's pin 9-11's inside circuits will constitute multivibrator. After the power is on, the multivibrator will begin to work. After the oscillate signals generated by the multivibrator is frequency divided and counted by IC, IC's Q4-Q10 terminals and Q12-Q14 terminals will output changing control level which will make VT1-VT10 connected intermittently. Illuminations HL1-HL10 will twinkle with different frequency.(The twinkle frequency of HL1 is the highest while the frequency of HL10 is the lowest.)
By adjusting RP's resistance value, the illumination frequency can be changed.
Reprinted Url Of This Article:
http://www.seekic.com/circuit_diagram/Control_Circuit/Illumination_Controller_35.html
Print this Page | Comments | Reading(3)
Code: