Published:2011/7/6 0:11:00 Author:Sue | Keyword: Illumination, Controller | From:SeekIC

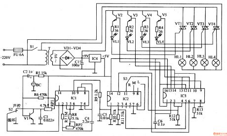
When the power switch S1 is connected, the ac 220v voltage will provide V2-V5 with 9V direct current working voltage after it is reduced by T,rectificated by VD1-VD4, filtrated by C1. The other circuit will provide the voice-operated circuit, oscillator and controller with +5v voltage after it is stablized by rC4. After the oscillator works, IC1's pin10 will outputoscillatepulse signals which will serve as IC2's control pulse. IC3 will output pulse control voltage under the control of IC2. Then the illuminations will be on and off as VT1-VW is connected and disconnected under the control of V2-V5.
Reprinted Url Of This Article:
http://www.seekic.com/circuit_diagram/Control_Circuit/Illumination_Controller_4.html
Print this Page | Comments | Reading(3)
Code: