Published:2011/5/29 20:36:00 Author:Sue | Keyword: Illuminations, Controller | From:SeekIC

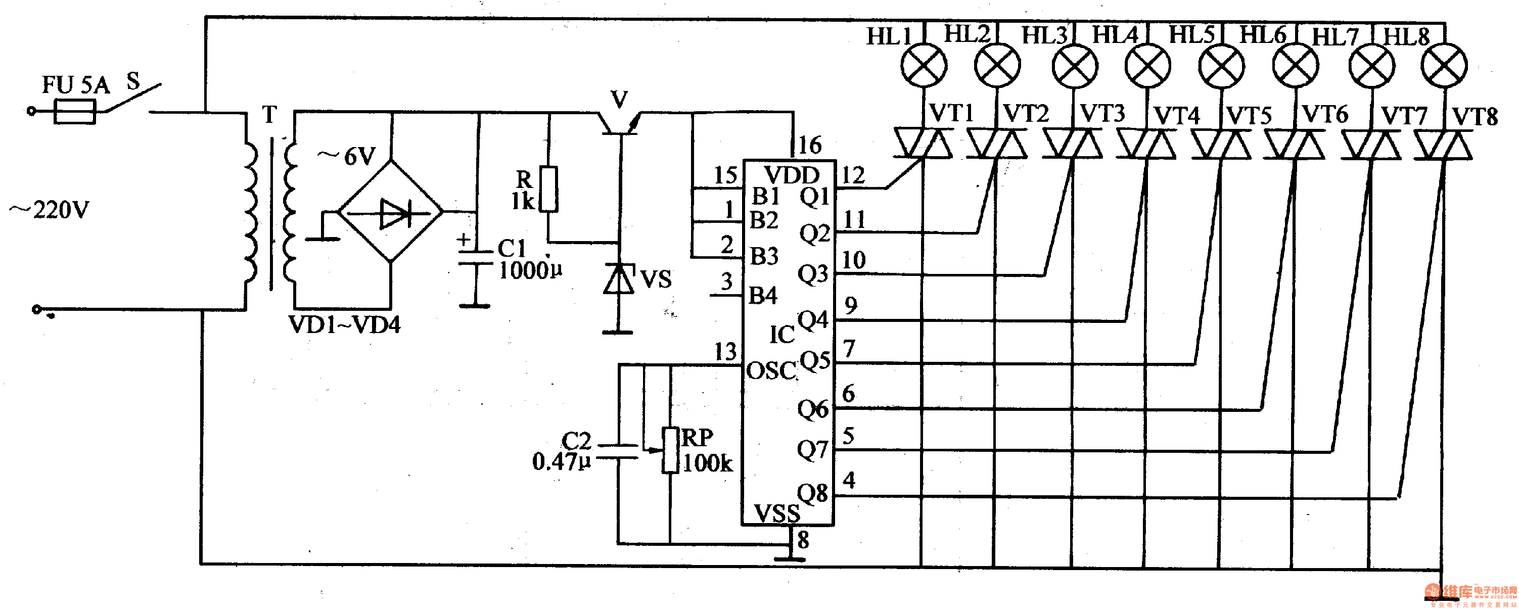
When S is connected, alternating current voltageof 220v will provide IC with 5v direct current voltage after reduction, rectification, filtrition and stablization.
When IC begins to work, its output terminal will output high level according to the set illuminating way. The transistors will control the illuminations.
The circuit connects IC's 1 pin 2 pin and 15 pin together, and makes the illuminating way vary from A to F automatically.
Reprinted Url Of This Article:
http://www.seekic.com/circuit_diagram/Control_Circuit/Illuminations_Controller_2.html
Print this Page | Comments | Reading(3)
Code: