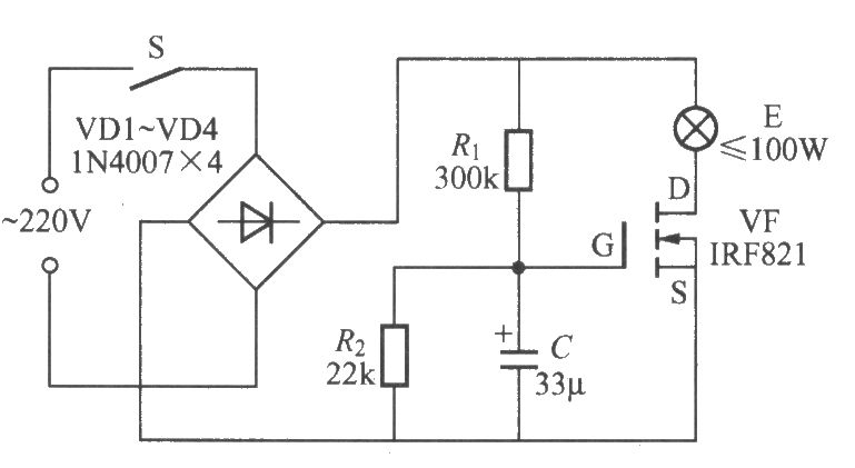
Published:2011/4/25 1:05:00 Author:Nicole | Keyword: incandescent lamp, life extension, switch | From:SeekIC

Reprinted Url Of This Article:
http://www.seekic.com/circuit_diagram/Control_Circuit/Incandescent_lamp_life_extension_switch_circuit.html
Print this Page | Comments | Reading(3)
Code: