Published:2009/7/24 2:14:00 Author:Jessie | From:SeekIC

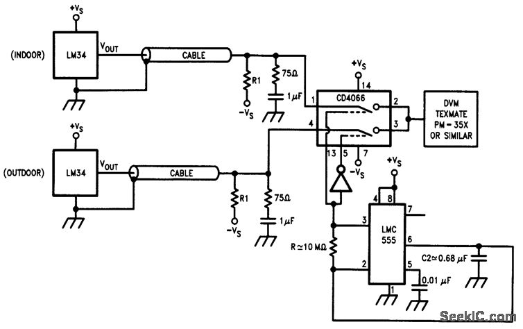
Pig. 13-10 The indoor and outdoor LM34 outputs are multiplexed through a CD4066 quad bilateral switch and then displayed (one at a time) on a DVM such as Texmate's PM-35X. Temperature range is -50° to +300°F. The LMC555 timer is run as an astable MV at 0.2 Hz so that each temperature is displayed for about 2.5 s. The RC filters at the LM34 outputs compensate for the capacitive loading of the cable. Notice that R1 must be selected to provide 50μA with the available -U supply (see Fig. 13-3). An LMC7660 can be used to provide -VS. National Semiconductor, Linear Applications Handbook, 1991, p. 1078.
Reprinted Url Of This Article:
http://www.seekic.com/circuit_diagram/Control_Circuit/Indoor_outdoor_thermometer.html
Print this Page | Comments | Reading(3)
Code: