Published:2011/8/21 21:38:00 Author:Ecco | Keyword: Industrial , fuel oil furnace , controller | From:SeekIC

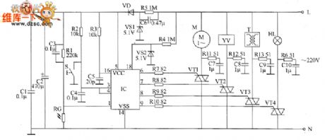
The industrial fuel oil furnace controller circuit is composed of the power supply circuit, testing and ignition control circuit and control implementation circuit, and it is shown as the chart. The power supply circuit is composed of the step-down capacitor C6, discharge resistor R5, voltage regulator diode VS1, rectifier diode VD and filter capacitors C1, C2. Testing and ignition control circuit consists of resistors R1 ~ M, photoresistor RC, capacitors C3 ~ C5, reset button S, voltage regulator diode VS2 and control IC. R2, S, and C4 form the reset circuit; R1, C3 and the RC form the photoelectric detection circuit; R4 and VS2 form the zero-crossing detection circuit.
Reprinted Url Of This Article:
http://www.seekic.com/circuit_diagram/Control_Circuit/Industrial_fuel_oil_furnace_controller_circuit_diagram_2.html
Print this Page | Comments | Reading(3)
Code: