Published:2011/7/21 2:39:00 Author:Ecco | Keyword: Industrial oil burner, controller | From:SeekIC

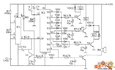
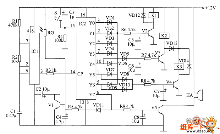
The industrial oil burner controller circuit is composed of the multivibrator, control circuit and fire detection / extinction alarm circuit, and the circuit is shown as the chart. Multivibrator circuit is composed of the time-base integrated circuit IC1, resistors R1, R2 and capacitor C1. Control circuit consists of counting / pulse distributor circuit IC2, reset button S, diodes VD1 ~ VD14, resistors R3 ~ R8, transistors V2 ~ V4, relays K1 ~ K3 and capacitors C3, C5 ~ C7. Fire detection / extinction alarm circuit is composed of the photosensitive resistor RC, transistors V1, V5, resistors R5, R9, capacitors C2, C4, C8 and buzzer HA.
Reprinted Url Of This Article:
http://www.seekic.com/circuit_diagram/Control_Circuit/Industrial_oil_burner_controller_circuit_diagram.html
Print this Page | Comments | Reading(3)
Code: