© 2008-2012 SeekIC.com Corp.All Rights Reserved.
Published:2011/5/16 4:46:00 Author:Sue | Keyword: Infrared Ray, Detection, Alarm | From:SeekIC

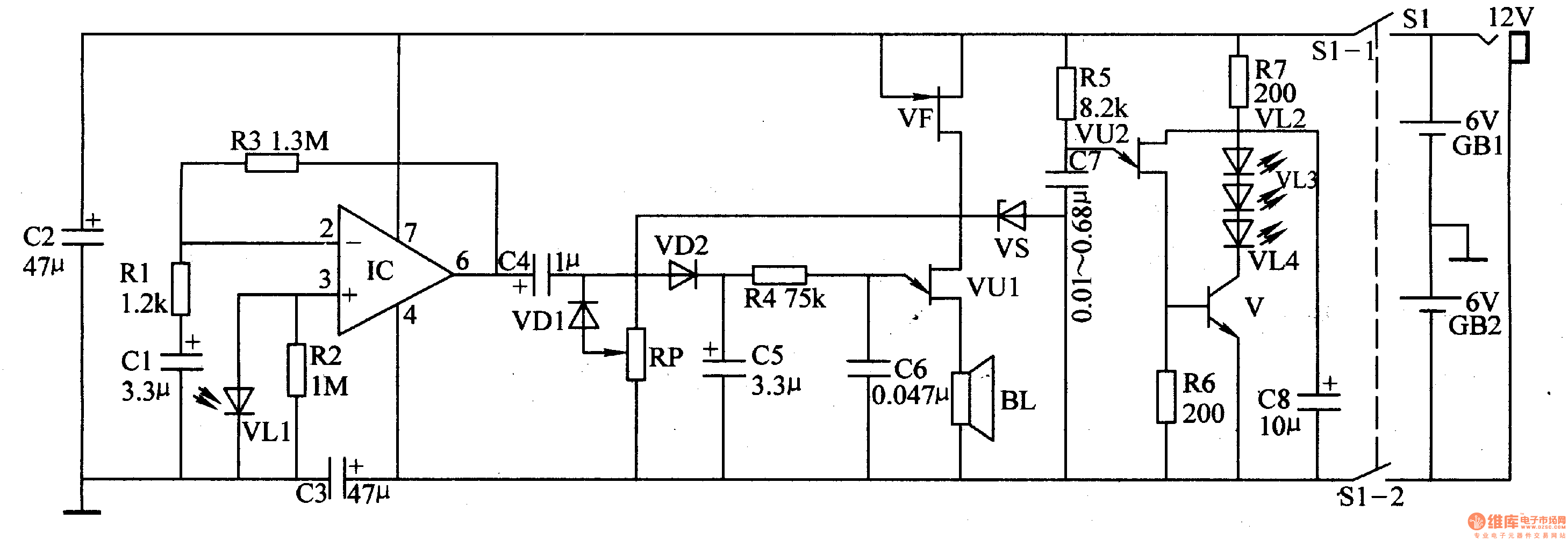
When S1 is connected, infrared ray emission circuit begins to workwith a certain frequency, and outputs infrared ray pulse through VL2-VL4. When VL has no objects in from of it, IC's 6 pin outputs no signal.
When VL has objects in front of it within 1.5m, infrared ray signals emitted by VL2-VL4 will be absorbed by VL1 after reflection. VL1 will turn the ray signal into electric signal, and send it into IC to amplify signal. The electric signal after being amplified by IC will make the audio oscillator begin to work and promote the loudspeaker BL to make a warning sound.
Reprinted Url Of This Article:
http://www.seekic.com/circuit_diagram/Control_Circuit/Infrared_Ray_Detection_Alarm.html
Print this Page | Comments | Reading(3)
Response in 12 hours
© 2008-2012 SeekIC.com Corp.All Rights Reserved.
Code: