Published:2011/4/22 3:22:00 Author:Christina | Keyword: Infrared Ray, Probe, Alarm | From:SeekIC

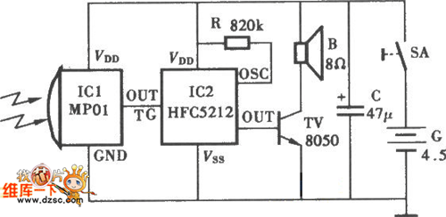
The Infrared Ray Probe Alarm Circuit is as shown:
Reprinted Url Of This Article:
http://www.seekic.com/circuit_diagram/Control_Circuit/Infrared_Ray_Probe_Alarm_Circuit.html
Print this Page | Comments | Reading(3)
Code: