Published:2011/6/25 8:02:00 Author:Sue | Keyword: Intermittent, Current, Controler | From:SeekIC

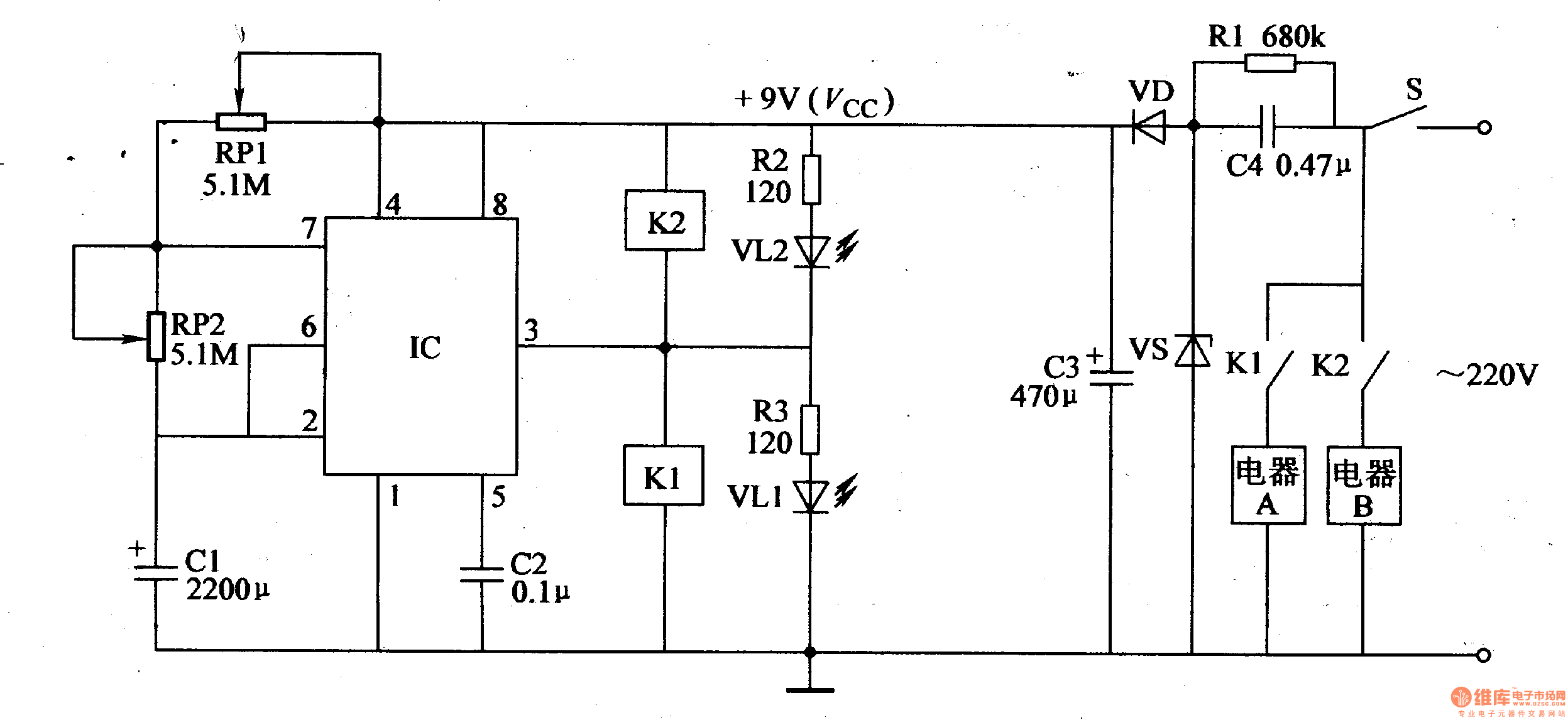
When S is on, 220V voltage will provide the circuits with 9V working voltage.
The moment S is on, IC's pin 2 has low level, and pin 3 outputs high level. K1 will be connected and A begins to work. VL1 is illuminated.
Then C1 will be charged and the voltage will keep going up. When the voltage exceeds 2Vcc/3, the inner circuit will be reversed and pin 3 will have a low level. A stops working and B begins to work. VL1 is off and VL2 is illuminated.
At the same time, when C1's voltage is lower than Vcc/3, IC's pin 3 will output high level and K1 is connected and K2 is disconnected. A begins to work and B stops working.
Reprinted Url Of This Article:
http://www.seekic.com/circuit_diagram/Control_Circuit/Intermittent_Current_Controler_4.html
Print this Page | Comments | Reading(3)
Code: