Published:2011/6/25 8:10:00 Author:Sue | Keyword: Intermittent, Current, Controler | From:SeekIC

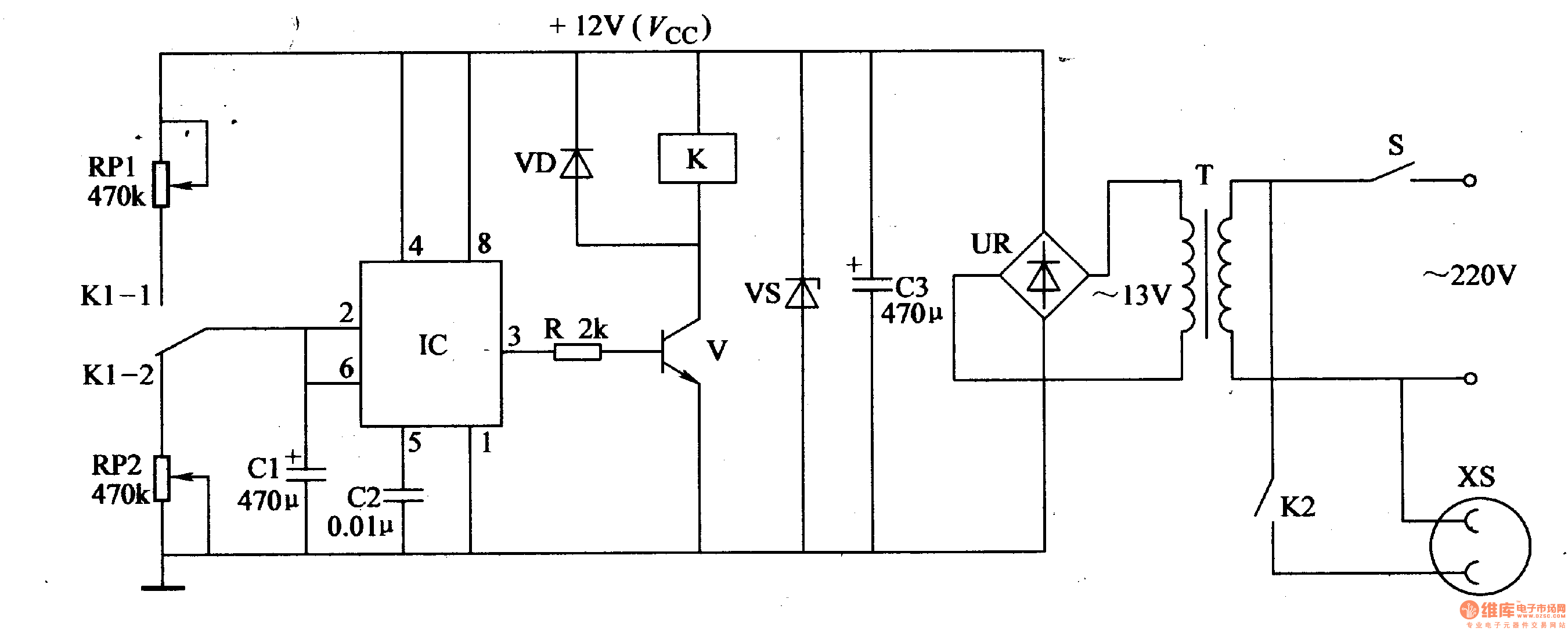
When S is on, 220V voltage will provide the control circuit will +12V(Vcc) working voltage.
The moment S is on, IC's pin 2 will have low level and pin 3 will have high level. V and K is connected and K1,K2 are disconnected. The working power is on. IC's pin 2 and pin 6 's voltage will keep going up. When the voltagereaches 2Vcc/2, IC's pin 3 will have low level and V is disconnected. The power is cut off. When IC's pin 2 and pin 6 's voltage are going down and reaches Vcc/2, IC's pin 3 will output high level and V is connected. The working power is on again.
Reprinted Url Of This Article:
http://www.seekic.com/circuit_diagram/Control_Circuit/Intermittent_Current_Controler_5.html
Print this Page | Comments | Reading(3)
Code: