Published:2011/6/26 4:46:00 Author:Sue | Keyword: Intermittent, Current, Controler | From:SeekIC

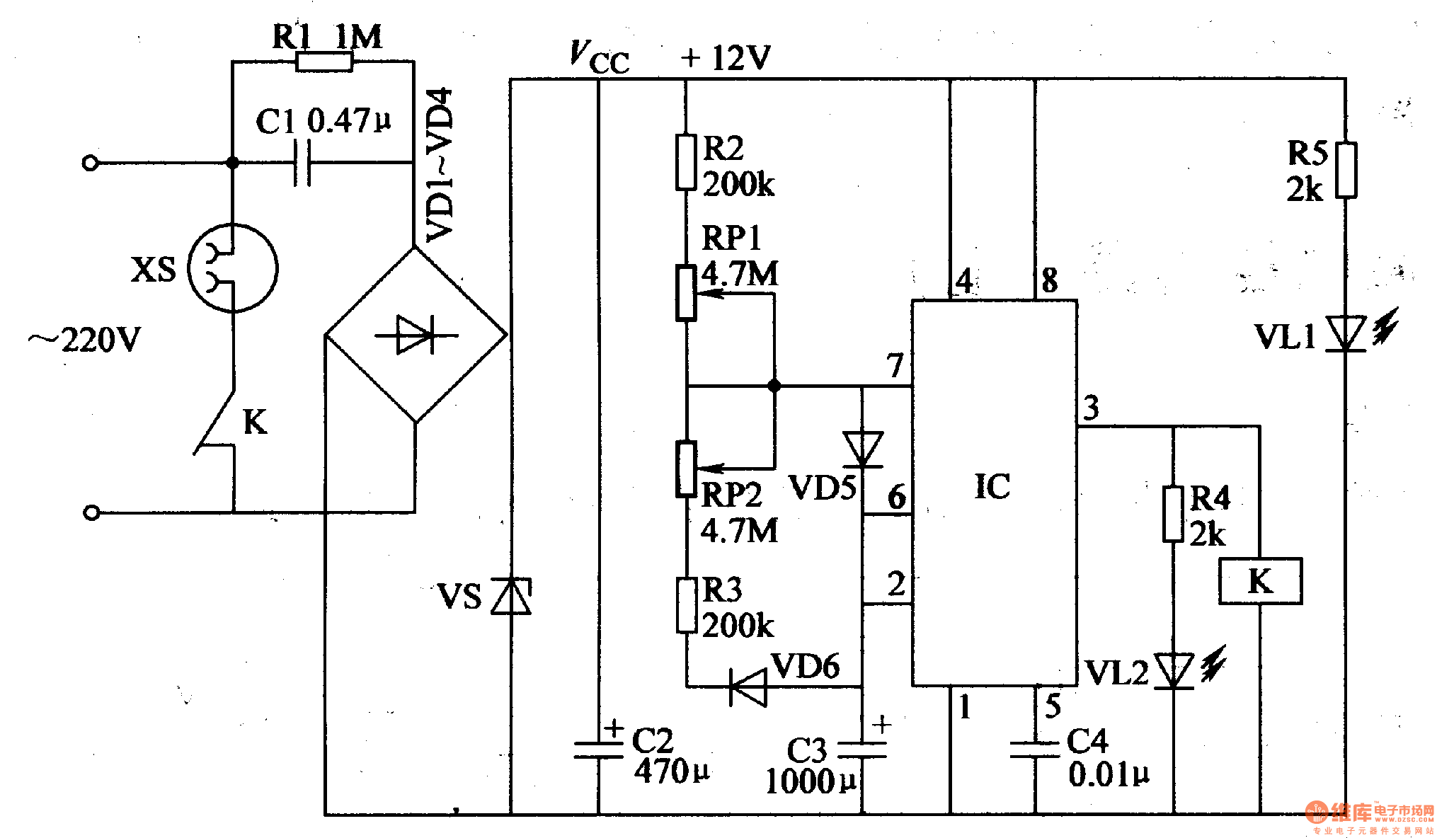
The 220v voltage can generate 12v voltage to provide the circuit with working power and VL1 will be illuminated.
The moment the power is on, IC's pin 2's and pin 6's voltages are lower than Vcc/3 and pin 3 outputs high level. VL2 is illuminated. K is connected. When voltages of pin 2 and pin 6 are higher than 2Vcc/3, IC's inner circuit will be reversed and K is released. VL2 is off. When voltages of pin2 and pin 6 are lower than Vcc/3, IC's inner circuit is reversed and pin 3 has high level again. K is connected and the working power is off.
Reprinted Url Of This Article:
http://www.seekic.com/circuit_diagram/Control_Circuit/Intermittent_Current_Controler_6.html
Print this Page | Comments | Reading(3)
Code: