Published:2011/6/26 4:56:00 Author:Sue | Keyword: Intermittent, Current, Controler | From:SeekIC

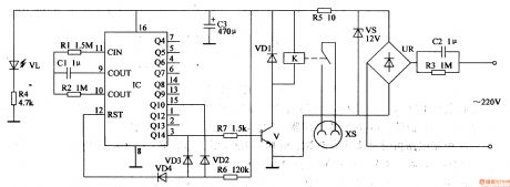
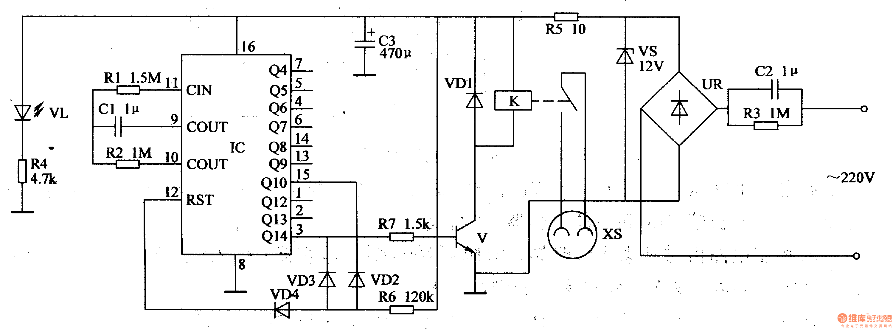
The 220v voltage will provide K and IC with 12v working voltage. VL is illuminated.
When IC begins to work, IC's pin 3 outputs high level and V is connected. K is connected. The working power is on. IC begins to count the working time of T. When timing work is over, IC's Q14 has low level and V is disconnected. K is released. IC's inner counter returns to normal and itgoes into the next period.
It works like this and realises the intermittent current control.
Reprinted Url Of This Article:
http://www.seekic.com/circuit_diagram/Control_Circuit/Intermittent_Current_Controler_7.html
Print this Page | Comments | Reading(3)
Code: