Published:2011/7/21 1:14:00 Author:Sue | Keyword: Jitter Buffer Switch, Gate Circuit | From:SeekIC


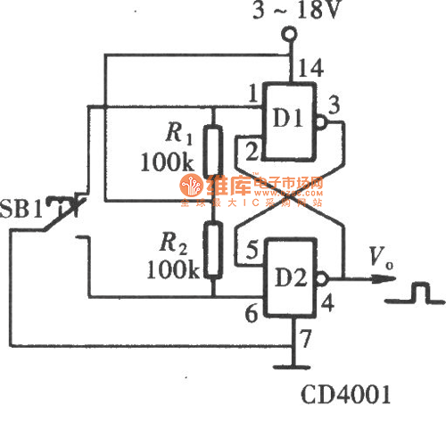
Working principle diagram composed of CD4011:
Working principle diagram composed of CD4043:
Reprinted Url Of This Article:
http://www.seekic.com/circuit_diagram/Control_Circuit/Jitter_Buffer_SwitchCD4011CD4043_Circuit_Composed_of_Gate_Circuit.html
Print this Page | Comments | Reading(3)
Code: