Published:2013/7/30 20:31:00 Author:muriel | Keyword: Jogging Timers | From:SeekIC

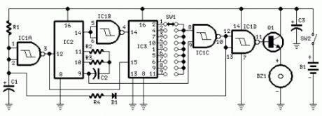
Parts:R1 47K 1/4W ResistorR2 10M 1/4W ResistorR3 1M 1/4W ResistorR4 12K 1/4W Resistor (see notes)C1,C3 10µF 25V Electrolytic CapacitorsC2 100nF 63V Polyester CapacitorD1 1N4148 75V 150mA DiodeIC1 4093 Quad 2 input Schmitt NAND Gate ICIC2 4060 14 stage ripple counter and oscillator ICIC3 4017 Decade counter with 10 decoded outputs ICQ1 BC337 45V 800mA NPN TransistorSW1 1 pole 9 ways Rotary Switch (see notes)SW2 SPST Slider SwitchBZ1 Piezo sounder (incorporating 3KHz oscillator)B1 3V Battery (two 1.5V AA or AAA cells in series etc.)
Device purpose:This circuit was developed since a number of visitors of this website requested a timer capable of emitting a beep after one, two, three minutes and so on, for jogging purposes.As shown in the Circuit diagram, SW1 is a 1 pole 9 ways Rotary Switch. Setting the switch in position 1, the Piezo sounder emits three short beeps every minute. In position 2 the same thing happens after 2 minutes, and so on, reaching a maximum interval of 9 minutes in position 9.
Notes:Needing only one time set, rotary switch can be replaced by an hard-wired link.A DIP-Switch can be used in place of the rotary type. Pay attention to use only a switch at a time, or the device could be damaged.Varying R4 from 10K to 15K you can obtain more or less than three short beeps after the preset time delay.To obtain a one-second beep only, after the preset time delay, disconnect pin 9 of IC1C from pin 9 of IC2 and connect it to pin 8 of IC1C.
Reprinted Url Of This Article:
http://www.seekic.com/circuit_diagram/Control_Circuit/Jogging_Timers.html
Print this Page | Comments | Reading(3)
Code: