Published:2009/7/8 22:26:00 Author:May | From:SeekIC

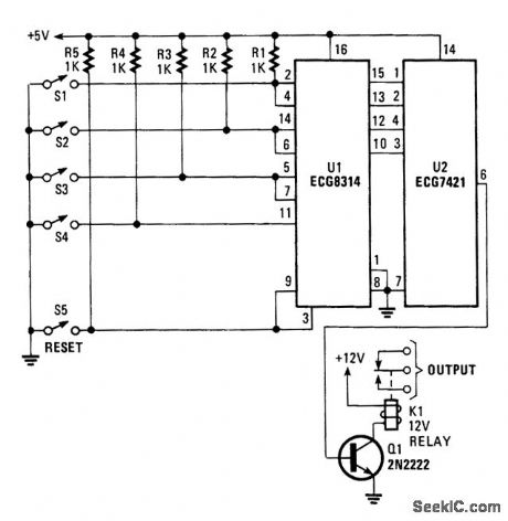
The circuit uses a four-bit latch(U1).What makes the circuit sequential is that the set input of the firstbit latch is tied to the reset of the second bit latch,and so forth.That ensures that any bit latched will be reset by the prevtous bit latch.The ECG8314 also has a master reset (pin 9)that is tiedto the first bit latch reset (pin 3),which provides an added measure of security for the lock.
The outputs of U1 are fed to a four-input AND gate(U2),then to Q1(used as switching transistor),which is used to drive relay K1. The EGC8314 has an enable low (pin) that can be used as a timing circuit,If that is desired.
Reprinted Url Of This Article:
http://www.seekic.com/circuit_diagram/Control_Circuit/KEYLESS_LOCK.html
Print this Page | Comments | Reading(3)
Code: