Published:2009/7/20 20:55:00 Author:Jessie | From:SeekIC

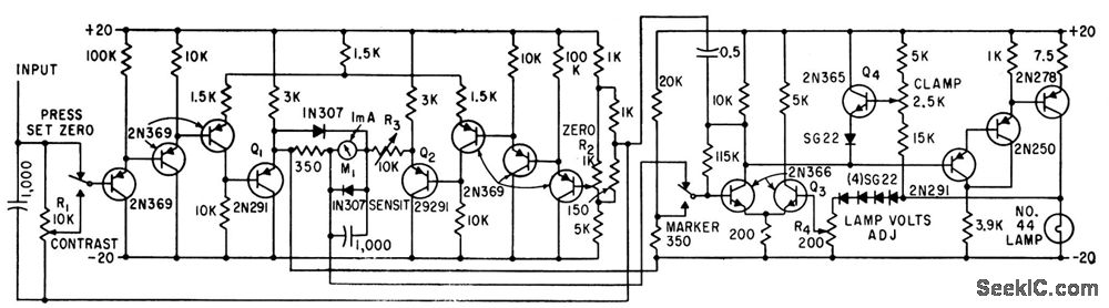
Count-rate meter of radiation-detecting tumor stunner provides input signal for d-c amplifier. Controls R1 and R2in difference amplifier provides zero suppression and R3 provides scale expansion. Circuit drives lamp that exposes film in step with scanning motion of probe.-E. Gordy and G. Sieber, Sensitive Amplifier Helps Lo-Gale Tumors, Electronics, 34:1, p 123-124.
Reprinted Url Of This Article:
http://www.seekic.com/circuit_diagram/Control_Circuit/LAMP_DRIVE.html
Print this Page | Comments | Reading(3)
Code: