Published:2011/7/10 8:05:00 Author:Sue | Keyword: LED, Illumination, Controller | From:SeekIC

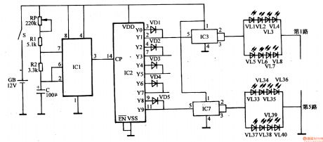
The autoexciting oscillator circuit consists of base integrated circuit IC1, resistor R1,R2, capacitor C and potentiometer RP.
The count freqency divider consists of count/pulse distributor integrated circuit IC2 and diode VD1-VD5.
The electronic switch circuit consists of electronic switch integrated circuit IC3-IC7.
When the power switch S is connected, the autoexciting oscillator begins to work. IC1's pin 3 will output low frequency square wave pulse which will be put on IC2's CP trigger count terminal(pin 14). Then IC begins to count, and its Y0-Y9 terminals will output high level in turn which will make the electronic switch integrated circuit IC3 and IC7 connected in turn. Its output terminals(pin 2 and pin 3)' outside LED will be illuminated.
Reprinted Url Of This Article:
http://www.seekic.com/circuit_diagram/Control_Circuit/LED_Festival_Illumination_Controller_1.html
Print this Page | Comments | Reading(3)
Code: