Published:2011/7/10 8:08:00 Author:Sue | Keyword: LED, Illumination, Controller | From:SeekIC

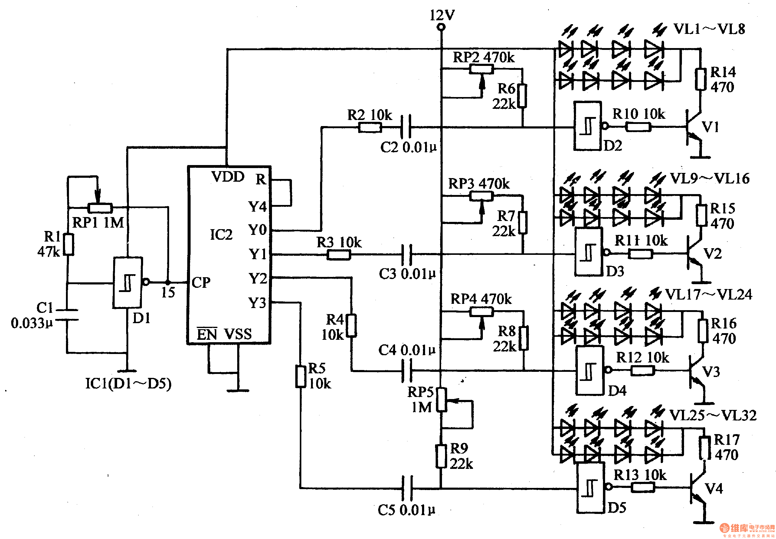
The LED drive circuit consists of IC1's inner trigger D2-D5, resistor R6-R7, transistor V1-V4, potentiometer RP2-RP5 and LED VL1-VL32.
When the power is on, the clock pulse generator circuit begins to oscillate. The trigger D1's output terminal will output clock pulse signals with a frequency of 6Hz. The signals will be put on IC2's CP terminal(pin 15) which will serve as the counter's count pulse. After IC2 counts and allocates the clock pulse signals, its Y0-Y4 terminals will output high level in turn which will promote the circuit to work.
Reprinted Url Of This Article:
http://www.seekic.com/circuit_diagram/Control_Circuit/LED_Festival_Illumination_Controller_2.html
Print this Page | Comments | Reading(3)
Code: