Published:2009/7/7 21:24:00 Author:May | From:SeekIC

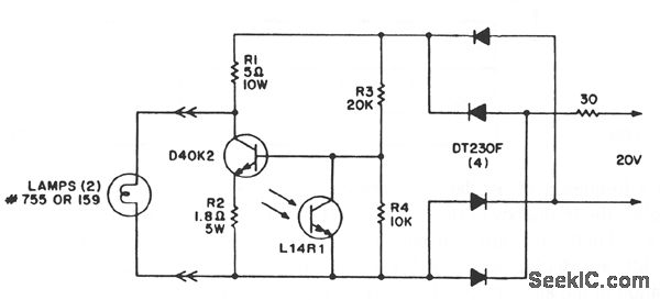
This circuit provides a very low cost method of controlling light levels. Circuit power is obtained from a relatively high source impedance transformer or motor windings, normally used to drive the low-voltage lamps used in these functions. It should be noted that the bias resistors are optimized for the 20-V, 30-Ω source, and they must be recalculated for other sources. The L14R1 is placed to receive the same ambient illumination as the display and should be shielded from the light of the display lamps. The illumination level of lighted displays should be lowered as the room ambient light dims, to avoid undesirable or unpleasant visual effects.
Reprinted Url Of This Article:
http://www.seekic.com/circuit_diagram/Control_Circuit/LIGHTED_DISPLAY_BRIGHTNESS_CONTROL.html
Print this Page | Comments | Reading(3)
Code: