Published:2009/7/19 23:32:00 Author:Jessie | From:SeekIC

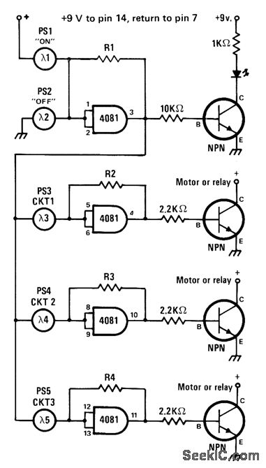
Battery-powered CM0S logic is switched on and off by aiming flashlight beam at photocell, for turning small motors of model train or other powered toy on and off. Transistors can be 2N2222A for most small motors, but larger motors will require power transistors, Use high-intensity flashlight, with shield over lens to restrict beam width, so only one of five photocells is illuminated at a time. LED shows ON/OFF status of circuit. Values of R1-R4 are chosen so each gate flips logic state only when associated photocell is illuminated.-J. Sandler, 9 Projects under $9, Modern Electronics, Sept. 1978, p 35-39.
Reprinted Url Of This Article:
http://www.seekic.com/circuit_diagram/Control_Circuit/LIGHT_BEAM_FOR_CONTROL_OF_MOVING_TOY.html
Print this Page | Comments | Reading(3)
Code: