Published:2009/6/22 22:44:00 Author:May | From:SeekIC

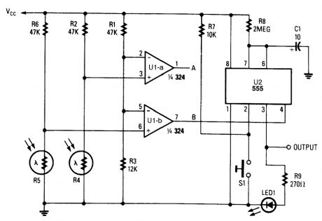
The light-controlled monostable was produced by combining a 555 monostable multivibrator with a pair of light-controlled comparators. The circuit can be used to enable the operation of the load device, depending on the time of day. During the daylight hours, the timer U2, is disabled, and so produces no output. However, during the nighttime hours, U2 is enabled by the output of UI-b so that pressing S1 initiates a timing cycle, which activates LED1 for a time determined by R8 and C1.
Reprinted Url Of This Article:
http://www.seekic.com/circuit_diagram/Control_Circuit/LIGHT_CONTROLLED_MONOSTABLE.html
Print this Page | Comments | Reading(3)
Code: