Published:2009/7/22 1:17:00 Author:Jessie | From:SeekIC

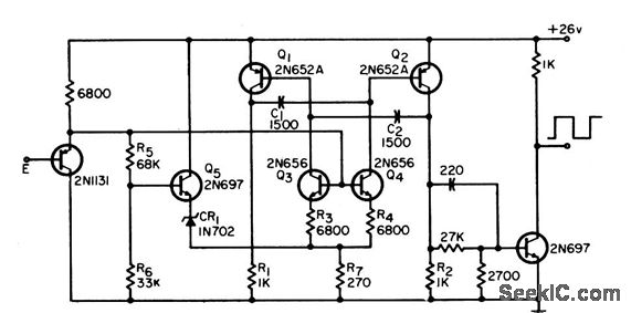
Adding emitter-followers to useable mvbr makes output frequency linear function (within 0.01%) of input voltage for 50% modulation above and below center frequency.-G. Richwell, Linear FM Modulator, EEE, 12:10, p 59-60.
Reprinted Url Of This Article:
http://www.seekic.com/circuit_diagram/Control_Circuit/LINEAR_F_M_MODULATOR.html
Print this Page | Comments | Reading(3)
Code: