© 2008-2012 SeekIC.com Corp.All Rights Reserved.
Published:2011/6/1 9:38:00 Author:Lena | Keyword: annunciators , self-control devices, singlechip, temperature control | From:SeekIC



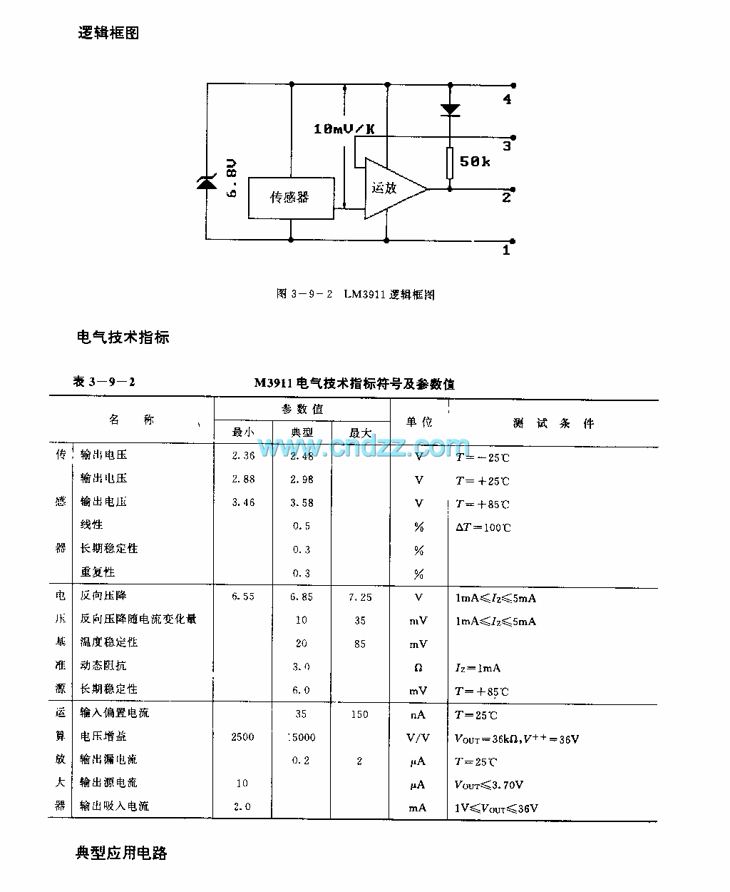
LM3911 is a singlechip temperature control integrated circuit applied to annunciators and self-control devices etc. Internal circuit consists of temperature sensor, operational amplifier and reference voltage source etc.
Technical characteristicOutput voltage is inproportion to the thermodynamics temperature, the sensitivity is 10mV/K.Internal reference voltage source regulation value is 6.8V.Add appropriate current-limiting resistance, which can work at volt d.c above 7V.Internal sensor uses transistor e-b node voltage differences that work at different current density as temperature sensing element.Measurement temperature range is -25~+85℃.
Reprinted Url Of This Article:
http://www.seekic.com/circuit_diagram/Control_Circuit/LM39Uannunciators_and_self_control_devices_singlechip_temperature_control_circuit.html
Print this Page | Comments | Reading(3)
Response in 12 hours
© 2008-2012 SeekIC.com Corp.All Rights Reserved.
Code: