Published:2009/6/25 21:09:00 Author:May | From:SeekIC


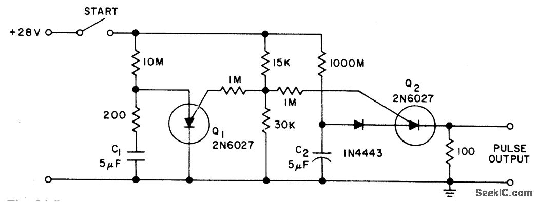
Circuit NotesThe PUT is used as both a timing element and sampling oscillator. A low leakage film capacitor is required for C2 due to the low current supplied to it.
Reprinted Url Of This Article:
http://www.seekic.com/circuit_diagram/Control_Circuit/LONG_DELAY_TIMER_USING_PUT.html
Print this Page | Comments | Reading(3)
Code: