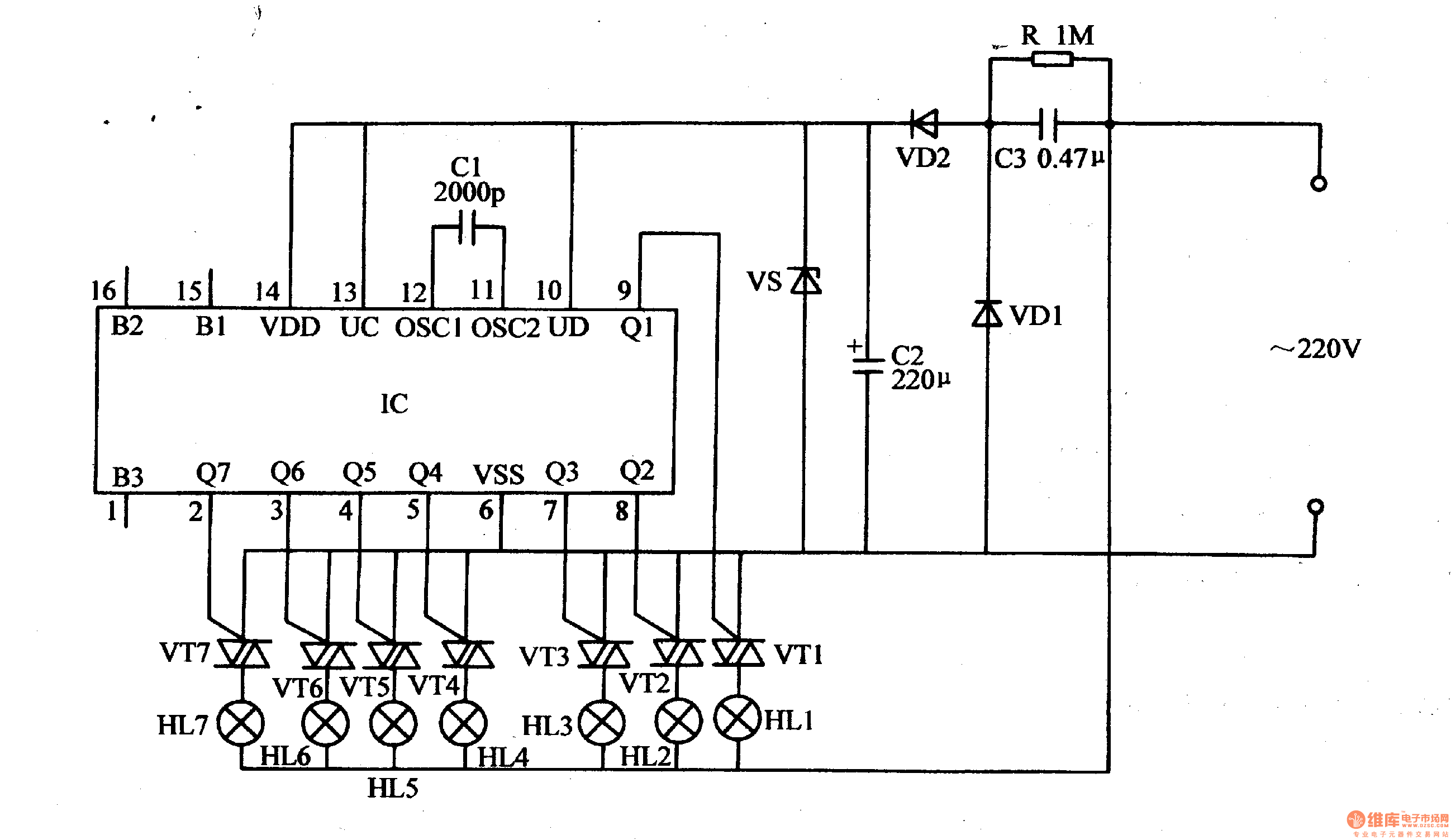
Published:2011/4/7 2:54:00 Author:Ecco | Keyword: Lantern controller | From:SeekIC

Reprinted Url Of This Article:
http://www.seekic.com/circuit_diagram/Control_Circuit/Lantern_controller_circuit_diagram_13.html
Print this Page | Comments | Reading(3)
Code: